Замок кодовый механический МЕТТЭМ ЗКП-2
Производитель: МЕТТЭМ
Страна: Россия
Вес: 1.4 кг
Гарантия: 2 года
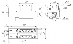
Диаметр ригеля: 23,6 мм
Количество комбинаций: более 1000
Количество ригелей: 1
Тип механизма секретности: Кодонаборный (перекодируемый)
Тип упаковки: Пакет
Вид замка: Кодовый
Возможность перекодировки: Да
Вылет ригеля: 15 мм
Высота: 58 мм
Глубина: 28 мм
Длина: 160 мм
Минимальная толщина полотна двери: 24 мм
Наличие ответной планки в комплекте: Да
Рекомендован для установки: в входные двери; в металлические двери; в деревянные двери;
Кодовая замок-защелка Меттэм ЗКП-2 может быть установлена как на подъездные двери, так и на двери дачных калиток или ворот. Предназначена для дверей толщиной 24-45 мм.
Защелка предназначена для установки на двери наружного открывания. Механизм открывается при одновременном нажатии закодированных кнопок (как правило не менее трех кнопок). Крепление защелки осуществляется как на отверстия фронтального крепления, так и на торцевые отверстия. Помимо этого важно закрепить ответную часть, именно ту, которая идет в комплекте.
ЗКП-2 /(ЗКП-40) - Кодовая защелка. Одна из самых популярных и востребованных моделей МЕТТЭМ. Широко применяется для запирания подъездов, хозяйственных помещений, калиток. Не требует применения ключа, открывание двери происходит после набора цифрового кода. Количество возможных комбинаций более 1000. При необходимости защелку можно перекодировать.
Как перевернуть защёлку на кодовом механическом замке МЕТТЭМ ЗКП-2:
Замок врезной + ответная планка
Модель: Apecs 2600-CR
Рекомендован для установки в входные двери
Да
Рекомендован для установки в межкомнатные двери
Да
Тип крепления
Лицевая планка
Тип ригелей
...
Замок врезной сувальдный
Модель: Эльбор Кремень 1.04.02
Рекомендован для установки в входные двери
Да
Рекомендован для установки в межкомнатные двери
Нет
Тип крепления
Лицевая планка
Тип ригеле...
Замок врезной цилиндровый Эльбор Кремень 1.03.25
Модель: Эльбор Кремень 1.03.25
Рекомендован для установки в входные двери
Да
Рекомендован для установки в межкомнатные двери
Нет
Тип крепления
Лицевая пл...
Замок врезной сувальдный
Модель: Эльбор Гранит 1.06.02
Производитель
Эльбор
Тип упаковки
Коробка
Назначение
Общее
Рекомендован для установки в входные двери
Да
Рекомендован для уста...
Оставить заявку
Наши партнеры
Есть вопросы — закажите обратный звонок!
Вы можете задать вопрос по работе компании или спросить о интересующем Вас продукте. Наши специалисты Вам помогут.